GDH®-20、24、10 系列电动机保护器
GDH-10、GDH-20系列电动机保护器主要用于电动机缺相、过流、三相电流不平衡等故障的保护,GDH-20S、GDH-24S水泵专用的保护器增加了抽空(欠载)保护。
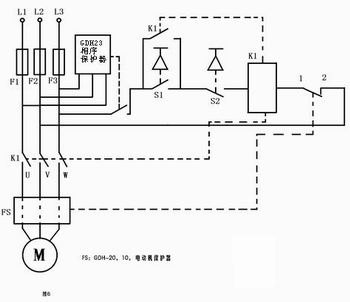
对于GDH-23系列保护器主要用于电动机的相序(逆相)保护,使用时将该保护器接入三相电路中,若相序为正相序,电路工作,正相序指示灯燃亮。外型结构见图3,在电路中使用方法见图6。GDH-23B触点方式同图3,GDH-23A触点方式见图7,电压适应范围180V~400V。触点电流GDH-23A为5A,GDH-23B为7A 。
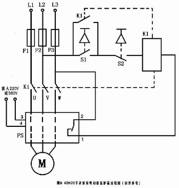
具有手动复位功能的接线方法见图9 。
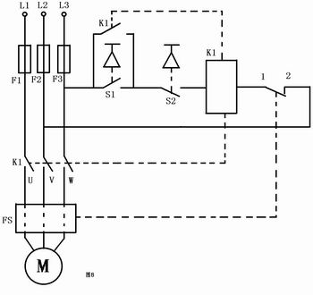
GDH-24组合式保护器是大穿孔(穿孔尺寸42×30mm)电流互感器,两侧互感器可左右滑移使相邻孔距可在46~75mm之间调整,可方便的适应不同宽度的线排, GDH-24组合式保护器为便于更换设计为可拆卸式结构,如有故障可将两边固定螺钉拆下,即可将上体拆开更换。在电路中的使用方法见图8。

图6 GDH-23 系列保护器其电路中使用方法(仅共参考)
图7 GDH-23A 保护器的工作原理及触点型式图。

图8 接线示意图(仅供参考)

图9 GDH20SD 手动复位电动机保护器接线图(仅供参考) |