首 页
产品展示
质量认证
销售网络
联系我们
GDH®-KT2
GDH®-KT3
GDH®-KT4
GDH®-KT5
GDH®-KT6
GDH®-CX3000
GDH®-K20
GDH®-20、24、10
GDH®-30(34)

GDH®-20、24、10 系列电动机保护器

9.工作条件及主要参数

  • 工作位置及方式:任意,连续
  • 环境温度:-35℃~+50℃
  • 电网频率及电压:AC 45~60Hz≤1000V
  • 海拨高度≤4000 米
  • 安装尺寸:符合JB/GQ8054-82热继电器标准。

10.标准测试方法


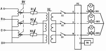
BV:同轴三相自耦变压器    R1.R2.R3:不平衡调整电阻
BL:三相升流器    S1.S2.S3:断相测试开关    FS:GDH®系列电动机保护器
A:电流表    BH1.BH2.BH3:电流互感器    FM:测试用讯响器
图十 测试接线图

    测试方法:
  1. 过流测试:通电后将电流调到额定动作电流的125%:断开试验电源、重新施加125%的电流值,同时进行计时 , 保护器动作后(可附加声、光显示装置),停止计时检查动作时间应符合规定。
  2. 断相试验:将三相电流调至不低于该保护器下限刻度值的 110 %,将断相开关打开(任一相),形成断相,同时进行计时,保护器动作后,计时停止,其动作时间应符合规定。
  3. 三相不平衡测试:调整不平衡电阻使任一相电流低于其它两相的40%,另外两相电流调至不低于该保护器下限刻度值的110%。断开电源,以不平衡状态重新施加电源,同时进行计时,保护器动作时间应符合规定。
  4. 三相不平衡比值=(任一相最大电流值-另一相最小电流值)/任一相最大电流值×100%
上一页 [1][2][3][4][5]6 下一页
鲁ICP备18051629号-1